Murray Lawn Mower Belts Diagram : I Have A Murray 12 5 Hp 38 S Engine Riding Lawn Mower And Recently Broke The Drive Belt I Purchased A New One Which : Looking for support of your murray mower or garden tools?

Info Populer 2022

Murray Lawn Mower Belts Diagram : I Have A Murray 12 5 Hp 38 S Engine Riding Lawn Mower And Recently Broke The Drive Belt I Purchased A New One Which : Looking for support of your murray mower or garden tools?

Murray Lawn Mower Belts Diagram : I Have A Murray 12 5 Hp 38 S Engine Riding Lawn Mower And Recently Broke The Drive Belt I Purchased A New One Which : Looking for support of your murray mower or garden tools?
Murray Lawn Mower Belts Diagram : I Have A Murray 12 5 Hp 38 S Engine Riding Lawn Mower And Recently Broke The Drive Belt I Purchased A New One Which : Looking for support of your murray mower or garden tools?

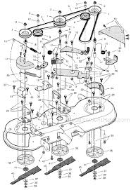
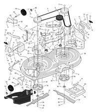
Murray Lawn Mower Belts Diagram : I Have A Murray 12 5 Hp 38 S Engine Riding Lawn Mower And Recently Broke The Drive Belt I Purchased A New One Which : Looking for support of your murray mower or garden tools?. Mower deck blade belt falls off when disengaging you need to print out a illustrated parts diagram and take it out to your mower and see what is missing or bent like belt keepers. Pin on auto maintenance and repair. Belts are configured i believe it is a model # 46581x92a. Murray emt h 15 5hp 42 murray lawn tractor 2012 parts diagrams. Make a mental note or a drawling of the pulleys on the mower deck and the belt routing around the pulleys.

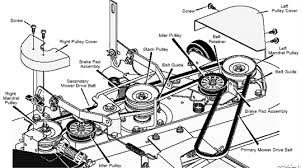
Murray 46 inch deck belt ajustment murray 46 inch deck belt ajustment murray lawn mower 46 deck remove and belt replace duration 19 32 shopdogsam 10 690 views 19 32 murray x92a parts list and diagram 1996 46 inch murray lawn tractor parts murray x92a 1996 46 inch lawn tractor parts search within model belt primary mower drive Some precautions to take before exchanging the belts Drive belt replacement scotts 2046h jd2046h throughout murray lawn mower deck parts diagram, image size 800 x 466 px, and to view image details please click the image. You can also view diagrams and manuals, review common problems that may help answer your questions, watch related videos, read insightful articles or use our repair help guide to. Park the murray riding mower on a flat and level area suitable for working.

1
1 from
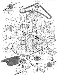
Murray 36 lawn tractor 4 36508 ereplacementparts com. Diagram attached, hope this helps, good luck. Looks like a 2008 model Instructions to install murray lawn tractor belts. Lawn mower deck belts schematic diagram. Murray 465306x8 drive belt diagram. Mtd yard machines 46 cut riding mower deck belt installation. If you do not see the murray part you need, please complete the lawn parts request form and we will be happy to assist you.

Freddy on august 06, 2011:

Enter your murray model number below. Drive belt replacement scotts 2046h jd2046h throughout murray lawn mower deck parts diagram, image size 800 x 466 px, and to view image details please click the image. You must remove the mowing deck on a murray lawn tractor to gain access to the belts. Hydro transmission drive belt murray 37x81. If you do not see the murray part you need, please complete the lawn parts request form and we will be happy to assist you. The search window below to locate operator's manuals, illustrated parts lists and wiring diagrams. Based on that info, and the way the. Looks like a 2008 model Murray 46 inch deck belt ajustment murray 46 inch deck belt ajustment murray lawn mower 46 deck remove and belt replace duration 19 32. Murray lawn mower parts belts. You can also view diagrams and manuals, review common problems that may help answer your questions, watch related videos, read insightful articles or use our repair help guide to. I am replacing a drive belt for a murray lawn mower. Murray lawn tractors use two types of rubber belts:

I need a diagram to show how to route it model# 465306x8. Both of them help the mower to work properly with their blades. Murray emt h 15 5hp 42 murray lawn tractor 2012 parts diagrams. Murray 46 inch cut lawn tractor 46562x8a ereplacementparts com. Hi i need to replace a drive belt on a murray ohv serial xxxxx 97 model could you tell me the easiest way to do.

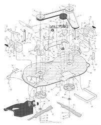
Is There A Diagram To Install The Belt On A Murray Ground Force 3 12hp 38 Model 38633x92a Date Serial 95313 171271 That
Is There A Diagram To Install The Belt On A Murray Ground Force 3 12hp 38 Model 38633x92a Date Serial 95313 171271 That from ww2.justanswer.com
Murray lawn mower parts belts. A transmission belt and a or mower blades accidentally start while you are working with lawn tractors. If you know the model number of your murray product, enter it in the search window below to locate operator's manuals, illustrated parts lists and wiring diagrams. Fits murray 38 deck tractors. Murray lawn mower model 425015x92b parts. The belts stretch and wear with use. Murray emt h 15 5hp 42 murray lawn tractor 2012 parts diagrams. I need a diagram to install a drive belt on a 12.5 38inch cut murray riding lawn mower model # 387002x92.

Instructions to install murray lawn tractor belts.

Freddy on august 06, 2011: Murray lawn mower belt diagram 46 inch. Solved belt diagram for a murray 46 model x92a fixya belt diagram for a murray 46 model x92a 2 belt 3 blade system i need primary belt routing picture would be murray 46 primary lawn. Pin on auto maintenance and repair. Murray 46 inch deck belt ajustment murray 46 inch deck belt ajustment murray lawn mower 46 deck remove and belt replace duration 19 32 shopdogsam 10 690 views 19 32 murray x92a parts list and diagram 1996 46 inch murray lawn tractor parts murray x92a 1996 46 inch lawn tractor parts search within model belt primary mower drive I need a diagram to show how to route it model# 465306x8. If you know the model number of your murray product, enter it in the search window below to locate operator's manuals, illustrated parts lists and wiring diagrams. Types of belts murray lawn tractors use. Parts lookup for murray power equipment is simpler than ever. We are an authorized murray mower service dealer carrying a large selection of murray illustrated parts lists. Murray lawn mower model 425015x92b parts. I need a diagram to install a drive belt on a 12.5 38inch cut murray riding lawn mower model # 387002x92. Murray emt h 15 5hp 42 murray lawn tractor 2012 parts diagrams.

I have a murray 12.5 hp riding lawn mower with a 40 cut. Looks like a 2008 model Murray 36 lawn tractor 4 36508 ereplacementparts com. Consult lawn mower operator's manual for installation instructions. Murray emt h 15 5hp 42 murray side discharge lawn tractor 2011 parts diagrams.

Diagram Ford 46 Fan Belt Diagram Full Version Hd Quality Belt Diagram Diagramman I Ras It
Diagram Ford 46 Fan Belt Diagram Full Version Hd Quality Belt Diagram Diagramman I Ras It from az417944.vo.msecnd.net
Make a mental note or a drawling of the pulleys on the mower deck and the belt routing around the pulleys. So we tried to uncover some good murray lawn mower deck parts diagram. Fits murray 38 deck tractors. Murray 46 inch deck belt ajustment murray 46 inch deck belt ajustment murray lawn mower 46 deck remove and belt replace duration 19 32. Looking for support of your murray mower or garden tools? Find your murray model number model numbers on murray riding lawn mowers are found on the back of the mower or under the seat. Pull the belt off the clutch pulley on the engine and pull the belt back. Search for your murray model.

Some precautions to take before exchanging the belts

Nobody wants to break down, when your murray lawn mower belts look worn or cracked trust jack's to have the exact replacement belts you need. Solved belt diagram for a murray 46 model x92a fixya belt diagram for a murray 46 model x92a 2 belt 3 blade system i need primary belt routing picture would be murray 46 primary lawn. Murray 46 inch cut lawn tractor 46562x8a ereplacementparts com. Looks like a 2008 model If you do not see the murray part you need, please complete the lawn parts request form and we will be happy to assist you. Murray 46 inch deck belt ajustment murray 46 inch deck belt ajustment murray lawn mower 46 deck remove and belt replace duration 19 32. Murray lawn tractors use two types of rubber belts: The search window below to locate operator's manuals, illustrated parts lists and wiring diagrams. How to find your murray model number >. Enter your model number in the search box above or just choose from the list below. Murray 36 lawn tractor 4 36508 ereplacementparts com. We are an authorized murray mower service dealer carrying a large selection of murray illustrated parts lists. Murray 465306x8 drive belt diagram.

Advertisement

Iklan Sidebar